Keep in mind, there are a good many manufacturers in China that make ST heads. There is always a possibility that your head has different lead designations! One must also note that the manufacturer often includes wiring information with lead designations your generator might not have! A good example of this is the 50hz wiring configurations on some generator plates. The leads are often NOT there, because the manufacturer assumes you’ll have little use for 50HZ in North America, and has deleted same.
It seems there are a good number of us who are concerned about voltage regulation, voltage droop, etc. Many of us want to know what the ST design deliverers and we don’t have a clue what the majority of consumer Generators deliver. I strongly advise that you buy a Kill A WATT, these simple and inexpensive devices plug in anywhere and give you frequency, voltage, power factor, and will even allow you to track KWH usage of an appliance. This is a great product for a generator owner, a device sold for less than $30 with a very nice LCD readout.
For those of you that have Kill A Watts, please consider plugging it into your consumer generator head, and noting the voltage and frequency and sending it to me.
It is a common practice to set a small generator up for 61 HZ no load, when the load is applied the governor often takes a bit to react, and 60 Hz ends up being the number in mid load range.
When we get into this subject, remember the power company has no problem with plus or minus 10% in the voltage they deliver you. It’s nice to set your machine up so the no load voltage is near the high acceptable limit, this way any droop between no load and your heavy loads will be acceptable. some people are worried that they are running at 62hz when they set up to run maybe 128 volts no load, from my experience, this works well.
I plugged my Kill a WATT into my Neighbor’s Briggs and Stratton 5KW gen set. At 61HZ, I observed 134 volts no load, At 60HZ, I saw 125 volts no load. If you experiment with what’s out there, you will develop a baseline, and you will not be prey to marketing hype about how you need 60.0000hz and 115.000000 volts.
George,
I have a Generac 5500XL. Using a Kill a Watt I observed 128 volts at 61 HZ no load and 126 volts at 60 HZ no load (It was bouncing back and forth.) At Approx 1000 watts load the voltage falls to 119 and 59 HZ. At approx 2400 watts, the voltage falls to 114 and 57 to 58 HZ. This is approx. 125 feet from the generator to the load with 8 gage wire used to
carry the current. ( I couldn’t figure out how to keep it at 60 hz under load). The genset is 3 years old with approx 500 hrs service. Hope this data helps out.
David Robert
I think David’s machine has a lazy governor, but his readings give us some comparative figures. We need more readings, keep them coming! Thanks, David!
Alternators that provide access to the field winding allow an end user to control the voltage INDEPENDENT of the frequency. The ST head provides this kind of access. ST’s come from the factory with “harmonic excitation”, this is a simple self exciting system that uses the Z winding in the stator for a supply voltage. This winding is connected to a full wave bridge, ( a group of diodes) that ‘rectifies’ or converts this AC voltage into a DC voltage. The DC voltage is then connected to the field (rotating winding) providing the force that will ‘excite’ the generator. The higher the current in this field, the higher the output voltage at any given frequency.
When the head is at 1800 RPMs, the “Z” winding is producing around 53 volts AC. at 2.1 amps, or only 111 watts. This AC is connected to a full wave bridge array of diodes that converts the excitation voltage to DC. At this point you will read 69 volts DC at the output of the diode bridge. these measurements were made with simple FLUKE multi meter and may not represent true voltages or power. But.. it is most likely what you will have to test with, and it is what I had…

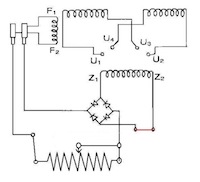
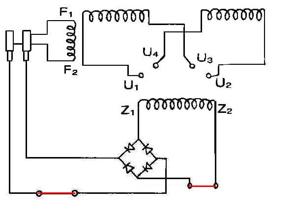
Drawing Above: (ST Heads). This system is simple to trouble shoot, and you could replace their diode bridge with one from radio shack or a hundred other places if something were to go wrong with it. What you have is three windings, a diode bridge, and some slip rings, that’s it! The volt meter, light bulb, and switch are typically wired across the output of the generator for quick reference. I got an email suggesting that the switch and light bulb were a little misleading since they really didn’t do anything. I guess the light tells you that voltage is present, and if the light bothers you, the switch turns it off….so if you’re expecting something more than this, you’ll be disappointed.
If your generator fails to make juice, simply remove the cover to gain access to the diode bridge, the leads to the field winding and the harmonic winding can be accessed here. The screw terminals allow you to lift the leads and properly isolate them for testing. Use an ohm meter to verify that both the Field winding F1—–F2, and the harmonic winding (Z1——Z2 read properly. It might be a good idea to read these windings with your meter when you are installing the head and write down their resistance values on the inside of the cover. The actual stator windings that provide the power for your load come off of windings U1—–U3 and U2—–U4. The ST heads I have allow the end user to quickly wire the head for either 120 volt only loads, or 120, and 240 loads. Some generators are set up for both 120 & 240 only, this means that you can only use 1/2 of the generator’s rated output to get your ‘hard to start’ 120 load going, this can be a problem, know what you’re buying!
The Following comments regard Generators in general, not just the ST units.
If you look at the field winding above, you’ll notice a strap and two terminals not designated. Following is an example why you might mess with this strap and how to do it.
Lets’ say you bought a ‘Kill A Watt’ (do a web search if you don’t know what this is), and you are measuring a little higher voltage than you are comfortable with at 60 or 61 HZ. I mention 61 Hz because lots of us set up Gen sets at this frequency (no load) with the expectation that the load will pull the genset down to 60hz and that we will get some advantage with the expected voltage droop. To help you figure your voltage, I’ll mention that the power company typically regards plus or minus 10% to be in compliance.
The above part is a ceramic 5ohm, 50 watt resistor, the center tap can be used to adjust the resistance downward. This is a good example of a part you can use to adjust voltage, but there are many.

Above are drawings of the same part. Note that this device gets hot and requires a mount. The lower drawing attempts to demonstrate a typical mounting for OHMITE D50K5R0, Blue represents the side of the dog house or other suitable mounting place where the part can get some air for cooling. Gray represents a piece of metal strap bent at the ends with holes drilled to act as a mount. Red represents a bolt and bolt head, and nut inserted in the ceramic resistor to mount it. DIYers recognize that ceramic materials crack and break if you reef on them, so treat it like a glass part, and make sure the connections are clear of any metal near the mount.
Once you have properly mounted the resistor, place it in series with your field winding. Use washers, and loc-tite, or other means to assure things don’t come undone. Fire up your Gen set and adjust to 61HZ, adjust the voltage to the highest voltage setting you’ll want to see. Measure this voltage at your load, not at the head. If your loads are 300 feet from the generator head, measure the voltage there and adjust this part to provide that voltage. Once the center tap is adjusted, tighten it firmly.
It may be helpful to note that a generator’s output voltage is in relation to the current in the field winding. Since this is a series circuit, the voltage drop created by this resistor will lower the current. Current is common throughout the circuit in a series circuit.
With all this said, here’s how you hook it up.

If you look at the drawing above, you’ll note that there is a strap between one end of the resistor and the center tap. How you hook things up can make a difference. If you do it as I have drawn it, the lead between the tap and the end effectively ‘masks’ part of the resistor, should the center tap loosen or if the centertap wire breaks, the resistor will be fully inserted into the circuit. Other configurations could generate severe swings in voltage if the tap loosened or a wire broke.
Please note that the wire used should be very fine stranded and flexible.
Although the stock Voltage excitation will serve my needs entirely (and most likely yours too) you could add more components or a complete sophisticated voltage regulator if you like. To date, I don’t know the best way to do it.
At this point, I have found nothing that doesn’t work fine when it’s powered by a stock ST. I’ve had one gas generator that had a carb problem and surged, the speed would vary widely and the voltage along with it. You could see the size of the picture get bigger and smaller, lighter and darker with each surge on the color TV. But you can’t blame the generator head for that.
Load… (This may be a worst case example) A friend of mine recently bought an expensive Onan autostart generator. What kind of voltage regulation it had, I don’t know, but it’s a natural gas unit in a box and is rated at 8Kw. This particular unit was installed to support a glass blowing shop. The critical load was a blower motor rated at 2 horse power. This induction motor is a 3750 RPM unit; attached to the motor shaft is a fairly high mass blower fan, which means it takes a bit of time for the motor to come up to speed. After the glass blowing shop replaced the blower motor for the second time, they became concerned and hired an electrical shop to investigate. They found that the motor starting windings were being ‘cooked’ and burning up! Further investigation proved that this Onan 8KW generator was actually too small to start this motor! The high mass of the blower, and the fact that this is a higher RPM induction motor means that it requires more of a generator to start it and get it up to speed fast before the start winding overheats and cooks! After calling the Onan Rep, the glass shop learned that the generator was clearly too small to handle such a load. Thanks to the Salesman and the assumption that an 8KW Generator would start any 2HP induction motor, they bought the wrong thing and have to buy it over again. The root problem was the generator is too small.
The important lesson is: Induction motors are demanding loads to start, and can take up to 3 to 5 times the POWER (watts) to start than it takes to run! When the shaft is at zero rpm, the motor windings have little impedance (opposition to current flow). Some Designers count on the motor to ‘spin up’ in a certain amount of time to keep from burning up the motor start windings. As the motor picks up speed, it generates a force called ‘counter electromotive force’ this opposes the incoming current and quickly reduces the amount of current the motor draws. Now consider this blower motor in the glass shop, it has a huge blower fan made of cast, it weighs a bunch an acts as a flywheel when starting, AND it is trying to push air as well. The motor has to lug all this along as it tries to come up to speed. It would be my bet, that the start windings are only good for a few hundred starts when power is adequate! Add an under sized generator set, and you have a recipe for fried motor in just one or two starts.
With this in mind, you can look at the motor you want to run and see what kind of load it carries with it when it tries to start. A big motor with no load is going to be easier for a smaller generator to bring up to speed. If you can load it after it’s brought up to speed, you have the better situation.
Don’t confuse skill saws, chop saws, vacuum cleaners, and all the other universal motors with induction motors. Universal motors are MUCH easier to start and don’t have start windings, but they have more ‘wear parts’ and won’t last nearly as long in continuous service.
Understanding the Salient Rotor used in the ST design.

If you look at the above sketch, it somewhat represents the Salient rotor design found in the ST design. Here you can clearly see the ‘four poles’ in the rotor. Each winding is like a wound bobbin of copper wire. The standard rotor has all four bobbins connected in series. The winding above and to the right is a representation of each bobbin. If you were to take a reading with your ohm meter and divide by four, you should have the value of each winding’s resistance.

If we look at the above drawing, we see the coils connected as it is stock.

Above we see the same bobbins on the salient rotor wired series parallel, in this configuration, you could use a source of DC at 1/2 the voltage and produce the same output voltage of your generator.

Above is the same four bobbins on the salient rotor wired is parallel, if you use 1/4 of the voltage to power the salient rotor (Field), wired as you see it here, you will produce the same output voltage as stock.
So why do you care?
Knowing more about the design will allow you fix it, or ‘rig up’ something to make power when you need it most.
Some folks use an external source for their field excitation. If you have a battery bank, you have a source of field current. Consider this.. 48 volt battery strings are becoming more popular. The telephone company has been using this voltage for about a Century, so it isn’t anything new. The higher voltage allows a designer to reduce wire size and eliminate some pretty heavy resistive losses in an off grid power design. More and more off grid designs use this voltage, versus 12volts or 24 volts. if you decide to invest in solar, or a battery string and inverter, look into the advantages of the 48 volt system. Lets make note of the float voltage of a 48 volt battery plant, it’s around 52.2 volts depending on the type of batteries and other design criteria. You will note that this is pretty darned close to what we saw when the stock harmonic winding was powering the field in this ST head.
So why do I care?
Lets’ say Ted Kennedy was messing with your stuff (drunk as usual), and messed up your generator. You do some basic trouble shooting and find that the rectifier is shot, or maybe he’s managed to spill some Brandy into your generator head and smoked the harmonic winding. If you were to pull out the rectifier, and tape up the harmonic winding leads, you could use your battery string voltage to power the field by attaching it to the slip rings or to the same wires marked (plus and minus) that you pulled off your rectifier.
Also note, you could drop a cell and lower your field voltage by approx. 2 volts, this could give you some voltage adjustment, and most likely an even better sine wave.
But I don’t have a 48 volt battery plant!
Well, take a look at the alternate ways one can wire the bobbins on the rotor, do you have 24 volts? Do you have 12 volts? these voltages could be used to power the field as well in an emergency. Note as you wire the field to drop the voltage, current goes up, this will have an effect on brush wear, but it may get you running in an emergency, like after the EMP 🙂
If you’re off grid, or if you’re on grid house is cold and dark, it’s always nice to know how you could Jerry rig your Gen set into making some juice if some component failed.
One more thing that might be handy to know, if you cut off two rotor tips and just had two tips with their bobbins spinning around, you’d have a two pole generator. You would need to spin the rotor double speed to make 60HZ, and I would imagine the bobbins would come flying off and grind your generator to shreds at that speed. 3600 RPM generators use a turbine design versus the heavy salient design, don’t try tuning it faster than it’s rated speed.
Please email me with your hands on experience or ideas. I have provided this gallery so all images are in one place so you can click through them.
All the Best,
George

Hi. Me again –
The paragraph above that starts: “Drawing Above: (ST Heads). ” doesn’t seem to have a corresponding image/diagram.
Enjoying your site! TIA
Oh – I see what may be the issue … all the images have ‘collected’ at the bottom of the posting!
too lazy to fix it.. don’t know what happened..
I also have another thought. I have 4 Lister 6/1 Metros. I have seen ideas on coupling two together and running one 10KW alternator which is what I really need but can’t afford a two cylinder (these days). Any ideas on this one George? I Can see the two belts but think starting would be a bear.
Simon
using two engines to run one head doesn’t soound like a best idea to me.
New to your site and just wanted to thank you and comment on the marvelous, humorous, and toung in cheek style, not to mention your tech expertise, and patriotism.
Just delightful…thank you ever so much, and God bless you!
~Dave
Thanks Dave, getting into Politics IS considered a bad idea in most circles, in my experiecne, there’s darned few DIYers that are not right of center. I have a warehouse full of my mistakes, and I learn some thing new each day, please come back and help me sort the wheat from the chaff.. G
dear george i am new in this field ,but will love to lean more about generator head ,i,ve been looking for a self exciting gen head for my project not too many companies knows what I am talking about ,will you please help me find out how to look for one or what company i need to contact, it,s a 3000watts self exciting type
thank you
The common small Generator we see in the big box stores is a ‘self exciting generator. At thsi time, commodities are high, and copper is expensive. It’s difficult to find new generators for what many of us consider a reasonable price.
Small Two bearing generators are my preference, we can tune them for our particular needs. As to what and where you buy, I really have no reccomendations for the moment. For those who have found sources of interest, do consider sharing same in a comment..
my st gen head only puts out 102 volts no load and 98 loaded @ 60 hertz. Uncertain how test to repair. Thanks.
Bobby,
I can’t assume you are running at the right frequency, nor do I know how you are wired, where you’re measuring the 98 volts, and what you are using to measure the voltage.
Do start the machine, run it at exactly 60.00 Hz Freq, measure the field voltage at the output of the rectifier, measure the voltage from the harmonic winding at the input of the rectifier, AC side. The side that is connected to the brushes is the output side (DC Side) Check your brushes, make sure there is good tension in the springs, etc.
Check all connections..
Compare what you read to the name plate data for the field voltage. Depends on manufacturer, I’ve seen different voltages on the plate with he same spec referenced!
measuring windings:
You need a decent meter, or you will use some 1% tolerance resistors to check your meter against so you have confidence in it. Document your windings write down your readings for reference when it’s new.
Lift the brushes and check the field, you might have around 17 ohms when you measure from ring to ring, brushes lifted. Check the stator windings too, I have an ST page with some info there as to what is typical.
GB
How much power can the rotor windings take in ST heads? I ask since I’d like to run the head in variable speed mode — for a possible inverter design.
David, I am careful NOT to give out that info after seeing some very different voltages and currents stated on the nameplate of some ST generators that claimed they were made to meet the same Chinese spec sheet! It is best you look at the name plate and the field power figures. It’s also best I tell you flat out. I do NOT know how far or long you can over drive the field before you overheat the varnish insulation. What we do know is there’s a temperature you reach where no damage will be noticed right away, but it will lead to an eventual and noticable failure… how long it takes depends on too many factors. I will tell you that I have taken apart two five KW ST gen heads. one weighing 40 pounds less, one with a shorter lamination stack, same spec stated.. wish I could remember field voltage of both of them.. it’s out there in cyber space on some old page, but they were around 20 volts different. Assume nothing, it’ll get you in trouble.
Do you plan to build/sell anymore of the PMG designs? They would work well in a variable speed app as well.
George do you know, does the output voltage of the Z winding change with load or does it stay relatively constant?
Units without voltage regulators ‘droop’ with load, a realist considers his needs, if you operate within the ANSI standard for voltage, do you really need more? I guess the answer depends on what you’re doing. But in this KISS system, we can have the head performing well within ANSI when fully loaded. BUT everything is affected by load.. the Z winding does not operate with autonomy, if it did, it’s voltage would be the same when the rotor was at zero RPM.
An example of operating at the higher voltage limits 127.5 volts? If you are principally powering a battery charger, the charging time can be reduced with the voltage as high as allowable, and this can result in a far more favorable Fuel/KWH figure. This is the reason you want that Kill A watt, and why you check your generator. You’d never believe how many are running at 55 hz and delivering 105 volts to the battery charger!
Where can I find a v. regulator for a ST-5….?
specs 120/240
excite v 49
excite cur 2.6A
thank you!